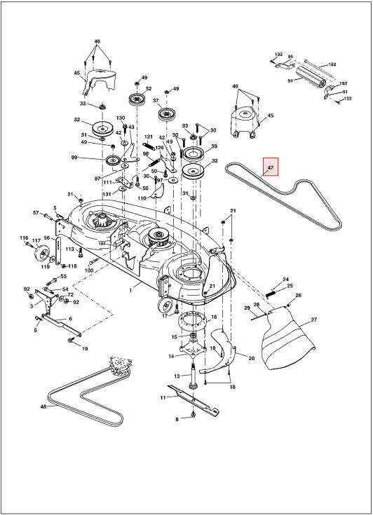
Deck belt 48" Husqvarna GTH250, GTH2548, YTH2048 etc
€95.59
- Information
-
Strap 5321808-08
Spare part from Husqvarna
Compatible with:
Husqvarna GTH 250 XP (96021000100, GTH250, HEGTH250A, HEGTH250KA, HEGTH250KC, HEGTH250KD)
Husqvarna GTH 2548 XP (HAU25H48A, HAU25H48B)
Husqvarna YTH 1848 XP (96013000301, HAU18H48A, HAU18H48B, HAU18H48C, HAU18H48D, HAU18H48E, HAU18H48F, HAU18H48G, HAU18H48H, HAU18H48J, HAU18H48K)
Husqvarna YTH 2048 (954567086)
Husqvarna YTH 2148 (954572035, LO21H48D, LO21H48E, LO21H48F, LO21H48G, LO21H48H, LO21H48J)
Husqvarna YTH 2148 XP (HAU21H48B, HAU21H48C)
Husqvarna YTH 2248 (954571977)
Husqvarna YTH 2448 (279080, 279081, 960130007, 96013000700, 96015000103)
Husqvarna YTH 2548 (954571984)
Husqvarna YTH 2748 (96013001000)
Husqvarna YTH 2754 (96013001000)
Jonsered
Jonsered LT 19 (954130063, 954130071, 954130078, JLT19H48A, JLT19H48B, JLT19H48C, JNA19H48A, JNA19H48B)
Jonsered LT 2119 (J2119AA, JNA19H48B)
Jonsered LT 2122 (954130214, 96011001100, 96011001101, 960110130, 96011013000, 960110226, 96011022600, J2122AA, J2122AB, J2122AC)
Would you like to search through Husqvarna parts diagrams? Then please use our spare parts catalogue. Click here to access the spare parts catalogue. Please remember to always verify the correct part number using the parts diagram for your machine. - Specifications
-
Manufacturer's part number: 532 18 08-08 , 532180808 - Files
Price history
Price history
Our lowest price 30 days:

Sweden - SEK
Uk - GBP


