Are you in the right place?
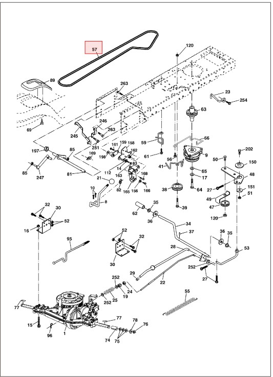
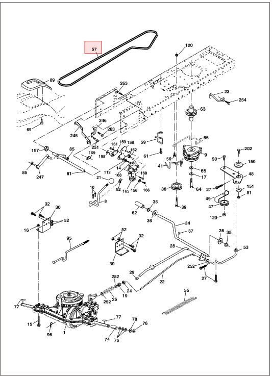
Transmission drive belt Husqvarna YTH2148, YTH2448 in the group  at Motorsågsbutiken (5321781-38)
Transmission drive belt Husqvarna YTH2148, YTH2448
Transmission drive belt Husqvarna YTH2148, YTH2448
Husqvarna Spare Parts
Article nr: 5321781-38

Transmission drive belt Husqvarna YTH2148, YTH2448

 
Add to cart
  • Information
  • Strap, 5321781-38
    Spare part from Husqvarna

    Compatible with:
    Husqvarna YTH 2148 (954572035, LO21H48D)
    Husqvarna YTH 2448 (96015000103)

    Would you like to search through Husqvarna parts diagrams? Then please use our spare parts catalogue. Click here to access the spare parts catalogue. Please remember to always verify the correct part number using the parts diagram for your machine.
  • Specifications
  • Files

Customers also bought

Rim 6X4.5
€105.90
5321067-32
Shipped in 2-5 business days
Buy
Hex Nut 9/16-18 X 1.010 In
€1.57
5961348-01
Shipped in 2-5 business days
Buy
Screw 5/16-18 X 1/2In St Clear
€3.79
5960307-01
Shipped in 2-5 business days
Buy
Screw Hexagon Head Tapping Srw
€1.94
5963217-01
Shipped in 2-5 business days
Buy
Battery 12V 24Ah
€96.69
5770416-01
Sold out
Login / Retailer