- Information
-
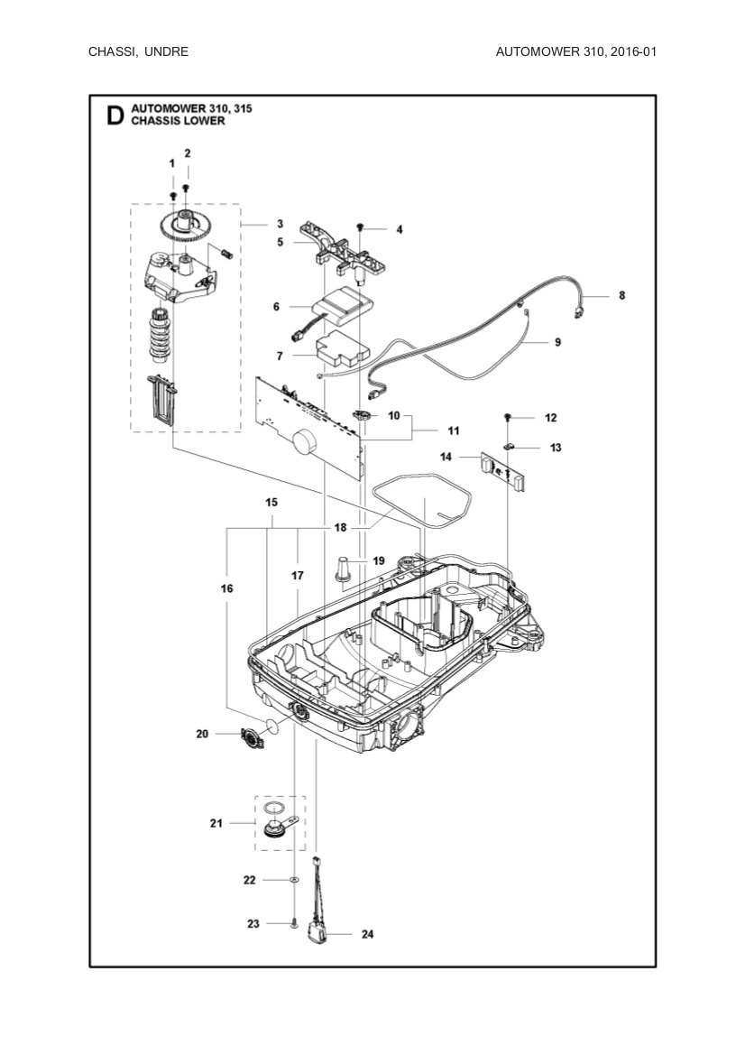
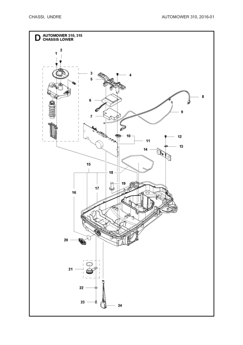
501 10 66-01 - Cover
Fits:
Automower 310 2015->
Automower 315 2015->
Automower 315X 2018->
Gardena:
SILENO: R100Li/R100LiC, SILENO+: R130Li/R130LiC/R160Li/R160LiC, 2016-> - Specifications
-
Manufacturer's part number: 501 10 66-01 , 501106601 - Files
Price history
Price history
Our lowest price 30 days:

Uk - GBP
Sweden - SEK



