- Information
-
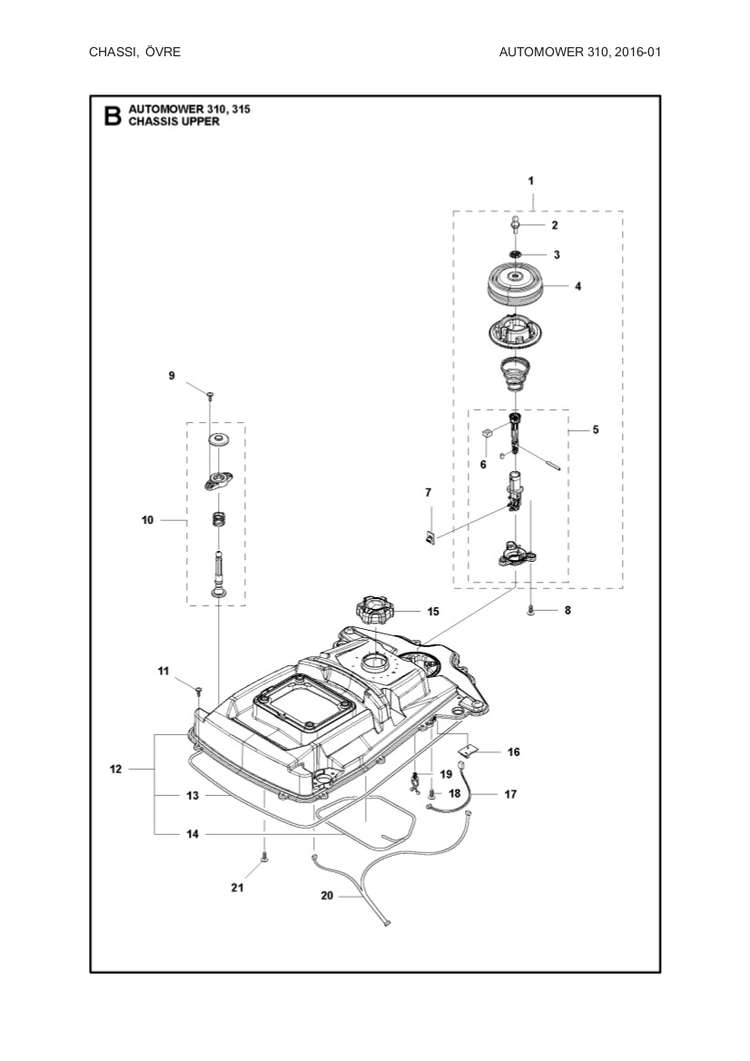
588 79 78-01 - Loom HMI
Fits:
Automower 310 2015->
Automower 315 2015->
Gardena:
SILENO: R100Li/R100LiC, SILENO+: R130Li/R130LiC/R160Li, 2016-> - Specifications
-
Manufacturer's part number: 588 79 78-01 , 588797801 - Files
Price history
Price history
Our lowest price 30 days:

Uk - GBP
Sweden - SEK



