- Information
-
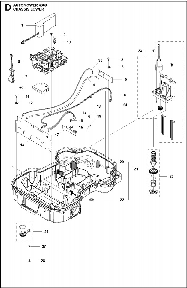
588 81 84-02 - Loom LED-light extension
Fits:
Automower 315X 2018->
Automower 405X
Automower 415X
Automower 430X 2018->
Automower 430XH
Automower 450X 2018->
Automower 450X EPOS
Automower 450XH
Automower 450XH EPOS
Automower 550 EPOS
Automower 550H
Automower 550H EPOS
Automower Limited Edition - Specifications
-
Manufacturer's part number: 588 81 84-02 , 588818402 - Files
Price history
Price history
Our lowest price 30 days:

Uk - GBP
Sweden - SEK




