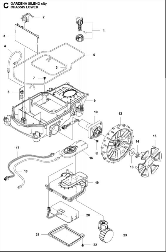
Printed Circuit Assy Mainboard Automower 305(2020-), 310, 315 Mark II, Sileno
				This spare part must be programmed at an authorized Husqvarna service center after installation.
			
			
			
			
			
			
																																				
			
			
								€247.90
							
	
							- Information
- 
					592 90 99-01 Printed Circuit Assy 
 Fits to
 Husqvarna
 AUTOMOWER 115H
 AUTOMOWER 305, 2020->
 AUTOMOWER 310 Mark II, 2022->
 AUTOMOWER 315 Mark II, 2022->
 Flymo
 Easilife
 EasiLife 200/350/500/800
 Gardena
 Sileno City
 Smart Sileno City
 Sileno Life
 Smart Sileno Life
 McCulloch
 Rob S
- Specifications
- 
					Manufacturer's part number: 592 90 99-01 , 592909901 
- Files
Price history
Price history
	Our lowest price 30 days: 
	 EN - EUR
EN - EUR 
 Sweden - SEK
Sweden - SEK



 
		 
		 
		 
		